





























































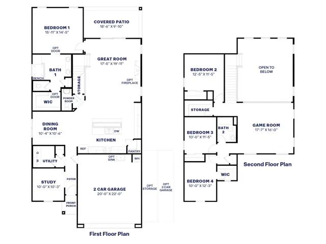
Welcome to the Oriole plan, where luxurious living meets thoughtful design. This stunning layout places the owner's suite on the first floor, boasting a spacious bathroom and walk-in closet for ultimate comfort and convenience. In the kitchen, gas stainless steel appliances, hardwood cabinets, and a corner pantry provide both style and functionality, while a large island overlooks the great room, creating a perfect space for gatherings and everyday living. Upstairs, the open loft adds versatility to the home's layout, while a study at the front of the home offers a quiet space for work or relaxation. Experience modern living at its finest with the Oriole plan where every detail is carefully curated to enhance your lifestyle. From Smart Home Technology to granite countertops and 20x20 tile flooring, this home exudes elegance and sophistication. ...